Case Study | Cold-Formed Stamped Tank Sill Connector Plate Innovation
Marketing Team
on
December 26, 2025
Case Study
Cold-Formed Innovation: Tank Sill Connector Plate for Railcar Manufacturing
Executive Summary: Cold-Formed Stamped Tank Sill Connector Plate Innovation
Prepared by: FKI USA Engineering Team
The Challenge
Inconsistent Geometry in Critical Railcar Components
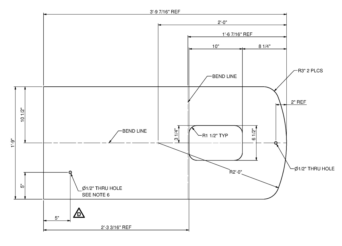
A leading domestic railcar manufacturer engaged FKI USA to address critical manufacturing challenges involving the 5/8-inch thick Tank Sill Connector Plate, a primary structural component responsible for securing rail trucks to tank vessels.
The customer’s existing fabrication method struggled to consistently produce the required compound-angle geometry. Variability in steel heat lots, combined with manual forming processes, resulted in:
Extensive rework to achieve proper fit-up.
Inconsistent dimensional accuracy.
Increased assembly time.
Elevated labor costs and production bottlenecks.
The Solution
Precision Cold-Formed Stamping & Adjustable Tooling
FKI USA conducted an in-depth engineering analysis and determined the optimal solution: a cold-formed metal stamping process supported by an innovative, adjustable high-precision stamping die. This approach enabled the tight geometric control required for the Tank Sill while preserving material integrity and accommodating differences in material characteristics from heat lot to heat lot.
Using advanced computer simulation (FEA and forming analysis) and multiple physical validation cycles, FKI USA developed a tooling system that delivered both processing flexibility and consistent dimensional accuracy.
Key Innovation:
The adjustable die system allows operators to fine-tune forming parameters in real-time. This maintains strict tolerances and ensures repeatability across all production conditions, regardless of minor variations in the raw steel.





















Business results
Measurable ROI and Production Efficiency
The transition to FKI USA’s cold-formed solution produced immediate, measurable benefits for the railcar manufacturer:
- Elimination of Rework: Consistent compound-angle geometry ensured parts fit correctly the first time.
- Enhanced Structural Integrity: Cold forming preserved the mechanical properties of the steel better than heat-intensive fabrication methods.
- Faster Throughput: Reduced component processing time accelerated the overall production schedule.
- Cost Reduction: Lower overall unit production cost combined with reduced assembly labor delivered a strong, quantifiable ROI.
Have an oversized or non-standard requirement?
Our engineering team can build the path to production.
- Category: Case Studies


